給水排水 |戰“疫”:總設計師說,火神山排水系統安全設計這樣做!發布日期:2020-03-18
轉自 給水排水
小編說
他們身處漩渦中心,為提交設計圖紙連夜奮戰;他們協助政府決策,為出臺技術方案不眠不休;他們堅守防控一線,在雨雪寒潮中恪盡職守......《給水排水》雜志將在2020年第3/4期開設“新冠病毒阻擊戰”專欄,記錄水業人在本次疫情期間所作的努力和貢獻。
戰“疫”,用水業人最硬的鱗!
李傳志
1966年出生,碩士研究生學歷,中信建筑設計研究總院副總工程師,給排水專業總工程師,教授級高級工程師。
主要研究方向:綠色建筑與可持續發展、建筑節水與非傳統水資源利用、建筑安全設計與評估、太陽能光熱利用、海綿城市設計、水污染防治與黑臭水體治理。
微信對原文有刪減。原文標題:火神山新型冠狀病毒感染的肺炎傳染病醫院排水系統安全設計探討;作者:李傳志、張 帆、喻陽光、李魏武;作者單位:中信建筑設計研究總院有限公司。將刊登在《給水排水》2020年戰“疫”專欄。
相關閱讀:
1 項目概況
武漢市為救治新型冠狀病毒感染的肺炎患者,解決現有醫療資源不足而緊急建設了武漢火神山醫院,選址位于知音湖畔(見圖1)。即使知音湖并非武漢水源地,但火神山醫院的設計、施工建設及運行管理緊急但不降標準,簡易但不簡單操作,雨水、污水集中收集處理達標后,再排入市政管網,不造成環境污染,也不帶來排水系統安全隱患。

圖1 武漢火神山醫院鳥瞰
武漢火神山醫院新建區規劃用地面積約50000㎡,總建筑面積33940.76m2,總床位數1000床(其中ICU中心床位數為30床);主要由1號樓與2號樓組成。
1號樓為單層建筑,由9個單層的護理單元、醫技樓及ICU中心組成,每個護理單元設24間病房。病房樓為集裝箱結構,中心區域為防護區,分為清潔走廊(清潔區)與護士走廊(半污染區);指廊區域為病房區,分為醫護走廊(半污染區)、病房(污染區)與病人走廊(半污染區)3個區。
1號樓內的醫技樓設1間標準Ⅲ級手術室、負壓檢驗室與3間CT室。ICU中心設于1號樓與2號樓之間。醫技樓與ICU中心為鋼結構板房。
2號樓為兩層建筑,分4個組團,由8個護理單元組成,每個護理單元設24間病房。其清潔走廊與護士走廊的配置模式與1號樓相同,只不過為單邊配置;病房區的配置模式與1號樓相同。
室外氧氣站房、負壓吸引機房、垃圾暫存間、尸體暫存間及焚燒爐設于場地東南角。
武漢火神山醫院新建區全部為傳染病院區,醫護人員宿舍、生活區全部征用新建區旁邊的武漢職工療養院。療養院的公用工程配套設施齊全,可以獨立運行管理,與新建傳染病院區的排水系統及水處理設施完全隔開。
2 排水系統安全設計原則
2.1 新型冠狀病毒的特點
冠狀病毒是一類具有包膜的RNA病毒,可引起人和動物呼吸道、消化道和神經系統疾病,對有機溶劑和消毒劑敏感,75%酒精、乙醚、氯仿、甲醛、含氯消毒劑、過氧乙酸和紫外線均可滅活病毒。
2019年底在湖北省武漢市出現的冠狀病毒,世界衛生組織將其命名為2019新型冠狀病毒(2019-nCoV)。新型冠狀病毒致病力強、傳染性高,傳播方式包括空氣飛沫傳播、氣溶膠傳播、接觸傳播及可能的糞口傳播。
據香港媒體報道,香港同住在青衣長康邨的“康美樓”內的下上樓鄰居,雖然兩戶相差了10層樓,但共享一條糞便污水排水管和化糞池,下上樓鄰居都確診新型冠狀病毒感染的肺炎,懷疑糞便污水排水管道傳播。香港衛生防護中心流行病學專家在調查后分析,病毒可能是經糞便污水排水管和未完全密封的化糞池通氣管傳播的。但香港大學教授強調,新型冠狀病毒傳染途徑至今仍未完全清楚,該個案仍有機會是經飛沫和接觸傳播的。
2.2 排水系統安全設計原則
室外生活排水與雨水排水系統采用分流制,污染區的污廢水與清潔區污廢水分流排放,如病房、醫技和ICU等與辦公區、清潔走廊等衛生器具和裝置的污廢水與排水通氣系統均獨立設置,且污廢水各自獨立排放至預消毒池。為此,首先需要根據醫療設施建筑功能分區、醫療流程布局對清潔區與污染區進行清楚地劃分,限制區污廢水可排入清潔區排水系統。
2.2.1 醫療設施建筑功能分區
火神山醫院主要用于收治確診新型冠狀病毒感染的肺炎重癥患者,不設置門診功能區,生活和后勤保障區采用臨近的武漢職工療養院。因此火神山醫院醫療設施建筑功能分區主要為醫技區、病房區。
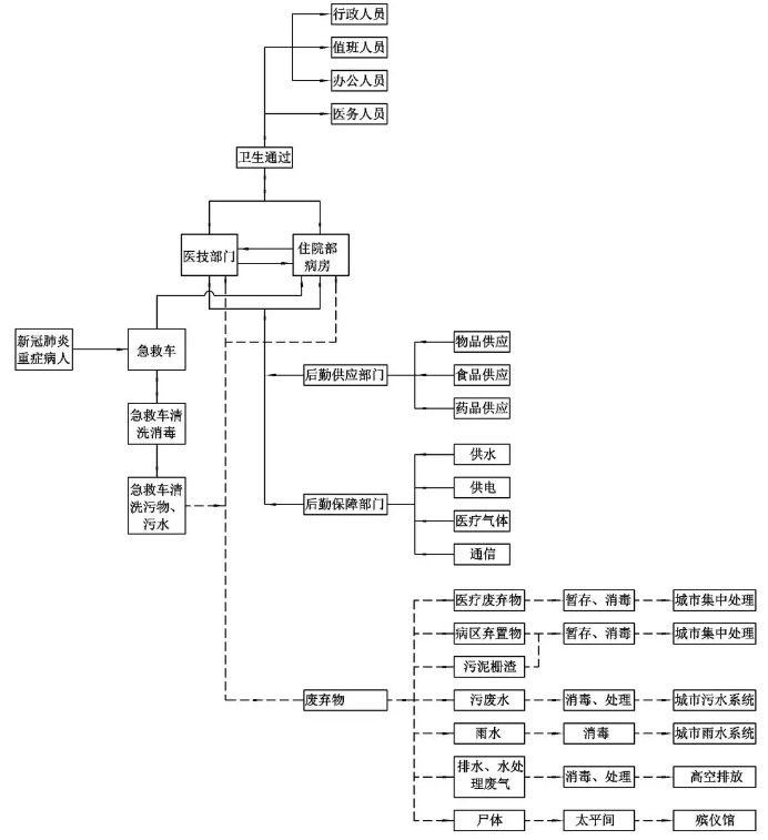
2.2.2 火神山醫院基本流程

圖2 火神山醫院基本流程
火神山醫院基本流程(見圖2)進行了合理劃分,醫技與住院部充分考慮了清晰的潔污、醫患、人車等流線組織,避免院內感染。醫療廢棄物、污物、污水、雨水與廢氣等均得到妥善處置,可以避免生物安全隱患產生。
2.2.3 火神山醫院住院部基本流程
火神山醫院醫療設施按傳染病醫療流程進行布局,且根據新型冠狀病毒感染的肺炎傳染病治療流程進一步細化功能分區?;痉謪^為清潔區、限制區(半清潔區)、隔離區(半污染區和污染區),相鄰區域之間設置相應的衛生通過或緩沖間。醫護人員進入及退出流線如圖3所示。
如圖3下側區域為防護區,主要為清潔走廊及辦公區,理論上此區域內醫護人員是可以只穿工作服的;與指廊病房相鄰的一側為醫護走廊,此區域內醫護人員必穿防護服;指廊部分為各病房護理單元,醫護人員在此工作區內除了穿防護服外,外面還要穿一層隔離衣,病房護理單元又分為3個區:內走廊為醫護走廊,為潛在污染區,病房為污染區,病人走廊(外走廊)最初從管理的角度考慮,設計成開敞圍廊,后更改為醫生進入病房后的退出通道,醫院管理方認為,只要醫護人員進入了病房,就被污染,不能原路返回,應該脫掉最外層的隔離衣后才能走入醫護走廊。病人走廊區域實為半污染走道,醫院管理方按可開啟空間考慮。

圖3 火神山醫院住院部基本流程
減少接觸傳播,需做到及時洗手,做好手部衛生,醫護人員需要及時淋浴清洗,避免將病毒帶到清潔區。同時需要做好室內清潔,保持環境衛生整潔,減少室內環境污染,避免經由污廢水管道傳染清潔區。
新型冠狀病毒感染的肺炎傳染病醫院需要在短時間內應對大量增加的病患,滿足快速收治病人的需求,又要確保安全運行,特別是生物安全、環境安全、結構和消防安全。生物安全是重中之重,既要防止病毒在醫療設施內傳染,同時也要防止醫療設施對周邊地區的感染;環境安全主要是防止排放醫療垃圾、污水和廢氣對環境的污染。傳染病醫院一旦排水處置不當,就會造成病毒的蔓延風險。
3 排水系統安全設計方法
3.1 合理選擇衛生潔具,保持器具水封可靠
選擇符合標準要求的衛生潔具,保持器具存水彎水封有效,合理設置地漏并保持水封有效。
衛生器具的材質和技術要求,均應符合國家現行標準GB6952《衛生陶瓷》和JC/T2116《非陶瓷類衛生潔具》的規定,并應符合下列要求:
(1)大、小便器均選擇構造內有存水彎的衛生器具,大便器宜選用沖洗效果好、污物不易黏附在便槽內且回流少的器具;不應選擇構造內無存水彎的大、小便器,以避免存水彎前段病人排泄物的滯留帶來傳染隱患。
(2)洗手盆不采用盆塞。根據新型冠狀病毒的預防感染措施,要保持手衛生,需要用流水洗手,所以洗手盆無需采用盆塞。
(3)衛生器具選型應能掛式安裝。衛生器具掛式安裝,便于地面清洗消毒,沒有死角,易于方便徹底消毒。
除了需要地面排水的部位,如準備間、污洗間、衛生間、浴室、空調機房等設置地漏外,其他如護士室、治療室、診室、檢驗科、醫生辦公室等房間不應設地漏。地漏采用帶過濾網的無水封地漏加存水彎,水封不小于50mm,且不得大于75mm;并采用洗手盆的排水給地漏水封補水;用于手術室、急診搶救室等房間的地漏應采用可開啟的密封地漏。
病房、化驗室、試驗室等在同一房間內的衛生器具也不共用存水彎。
3.2 分類收集、分區排水
火神山醫院將醫技、病房及ICU定義為污染區,在污染區內的盥洗、洗浴廢水及衛生間糞便污水均歸為污染區排水。醫護人員可以只穿工作服的清潔走廊及辦公區定義為清潔區,在該區內的盥洗、洗浴廢水及衛生間糞便污水均歸為清潔區排水。污染區內重癥病人的排泄物、分泌物,應采用專用密閉容器就地收集,按衛生部門提供的消毒方法經及時消毒后,再倒入病房衛生間或集中收集、專門處置。
污染區的污廢水與清潔區污廢水分流排放,且污廢水應各自獨立排到預消毒池。生活排水流程如圖4。

圖4 生活排水流程
車輛沖洗和消毒廢水排入污水系統,排水口下采取水封措施;空調冷凝水分區集中收集,間接排水,設置在污染區的空調冷凝水只能排入污染區生活排水系統管道;布置在清潔區的空調冷凝水排入清潔區生活排水系統管道??照{冷凝水全部排入污水處理站處理。
3.3 排水系統管道分區獨立通氣,分區集中收集處理
污染區如病房、醫技及ICU等與清潔區的衛生器具和裝置的污廢水與排水通氣系統均獨立設置。避免污染區帶有病毒的廢氣傳播到清潔區,造成感染。生活排水系統通氣管道布置如圖5。

圖5 生活排水系統通氣管道布置
排水系統的通氣管口不應接人空調通風系統的排風管道,應上排至屋面。排水通氣管中廢氣應集中收集后處理排放。
室外排水檢查井采用密封井蓋,并設置不小于DN100通氣管,將室外排水管道中的廢氣上排至屋面通風良好處進行處理。
3.4 室外場地雨水隔離地下水系,雨水快速排水,集中消毒處理
由于火神山醫院選址知音湖畔,為防止污水滲漏和雨水下滲,與地下水系統發生交換,帶來地下水污染風險,設計在項目用地內滿鋪HDPE防滲膜,避免雨水下滲,與知音湖水系完全隔離。室外場地雨水的徑流(雨水排水方向)組織為快速排向雨水口,通過管道集中收集排放,減少地表雨水徑流對知音湖水體的污染風險。雨水排水組織如圖6。

圖6 雨水排水組織
室外雨水應采用管道系統排水,不采用地面徑流或明溝方式排放。采用地面徑流或明溝排放,一旦被新型冠狀病毒污染,易再次通過室外雨水排水擴散病毒,接觸到易感人群,增加導致新型冠狀病毒感染的肺炎暴發或流行的風險,因此火神山醫院設了單獨的雨水排水管道系統。
由于院區用地范圍內的場地滿鋪HDPE防滲膜,雨水不能下滲,地面的雨水徑流系數采用ψ=1.0。市政污水管無法全部接納院區設計重現期P=3年的降雨水量,設置了雨水貯存調節設施。
3.5 強化污水消毒處理、雨水消毒后排除;污水處理設施尾氣集中收集消毒處理后排放
火神山醫院屬于新型冠狀病毒感染的肺炎傳染病醫院,按照GB50849《傳染病醫院建筑設計規范》第6.4.2條,“醫技、病房和ICU病房的污水應先排人化糞池,滅活消毒后應與廢水一同進入醫院污水處理站,并應采用二級生化處理后再排人城市污水管道?!盙B18466《醫療機構水污染物排放標準》第4.1.1條規定“傳染病醫療機構污水排放一律執行表1的規定”。
火神山醫院從2020年1月23日開始設計,2月3日前建成,歷時10天。由于新型冠狀病毒感染的肺炎傳播速度快、蔓延范圍廣,武漢地區病患短時間內大量增加,為了彌補武漢市原有的醫療設施不足,作為應急建設專門的醫療設施,為滿足快速發病的需求,必須立即投入使用。因此火神山醫院建成后,雖然建有二級生化處理設施,但污水處理不能即刻滿足現行國家標準GB50849《傳染病醫院建筑設計規范》二級生化處理的有關規定,生化處理調試運行周期過長,將影響火神山醫院即刻投入使用,從而影響大量收治重癥病人。設計按二級生化處理工藝配置,前期短時間內按預消毒+化糞池+消毒的處理工藝流程運行。預消毒的目的是為了在預消毒接觸池后,保護后續污水處理站的運行安全。通過室外密閉排水系統輸送到預消毒接觸池的為污廢合流排水,參考HJ2029《醫院污水處理工程技術規范》第4.2.2條設計水質以及同類醫院污水水質經驗數據,原污水進水水質指標如表1。
表1 污水主要進水水質指標

表1表明,預消毒接觸池的進水有機物含量高、懸浮物較多,充分的滅菌消毒將消耗較多的消毒劑。冠狀病毒對有機溶劑和消毒劑敏感,含氯消毒劑可滅活病毒,但目前缺少新型冠狀病毒耐受含氯消毒劑的投加量及接觸時間方面的試驗數據,加上對氣溶膠傳播的疑慮以及香港長康邨的“康美樓”病例的確切判斷,因此預消毒的接觸時間按不小于2h設計,以充分滿足GB18466《醫療機構水污染物排放標準》表1中生物安全指標要求:糞大腸菌群數<100個/L,腸道致病菌、腸道病毒、結核桿菌不得檢出。污水處理站尾水pH=6~9,接觸池出口總余氯6.5~10mg/L。GB18466表1中的第6~24項指標,將不作為主要控制要求,滿足生態環境部《關于做好新型冠狀病毒感染的肺炎疫情醫療污水和城鎮污水監管工作的通知》環辦水體函〔2020〕52號的要求。
雖然消毒工藝投加較多的含氯消毒劑,將會對后續污水處理站的生化處理帶來不利影響,但還有最重要的一點,項目要求在10天內完成施工交付,建設工期超短,且處于春節長假期間,施工單位能采買到的設備和材料受到極大的限制,這在很大程度上左右了工藝的選擇,所以預消毒工藝沒有選擇臭氧消毒劑。
二級生化處理選用的生物工處理藝也受到許多因素的制約。由于新型冠狀病毒感染的肺炎的傳播途徑缺少充分的實驗驗證,污水處理站內各構筑物產生的尾氣可能含有病毒,為此要求密閉,尾氣統一收集消毒處理后排放。曝氣量大的工藝,意味著較大的尾氣處理量,也可能包含著較大的病毒擴散風險。
受制于場地條件、供貨地點及供貨時間,經過多工藝比選,火神山醫院污水處理的生化工藝選用能夠武漢供貨、并可快速安裝并投入使用的MBBR工藝。污水處理工藝流程如圖7。

圖7 火神山醫院污水處理工藝流程
神山醫院在運行投入使用的初期,無法實施二級生化處理工藝,暫按預消毒+化糞池+消毒的處理工藝流程運行,污水處理消毒處理工藝如下:
(1)污水處理設置預消毒工藝,并設置在化糞池前,預消毒池的水力停留時間不小于2h;污水處理站的消毒池水力停留時間不小于2h。
(2)污水處理從預消毒工藝至污水處理站尾水消毒工藝全流程的水力停留時間不小于2d。
(3)化糞池和污水處理后的污泥回流至化糞池后總的清掏周期不小于360d。
(4)消毒劑的投加根據在線余氯監測情況確定,但pH不大于6.5。
預消毒的目的是保證污水處理后續工藝運行安全,預消毒的接觸時間不小于2h,是考慮到新型冠狀病毒在水中存活的時間可能較長,需要污水在化糞池中的停留時間不少于36h。從預消毒到污水處理站出口消毒的總水力停留時間不小于2d,以確保污水處理站尾水出水的生物安全性。污泥清掏周期為1年,是考慮作為應急醫院,運行期間無需清掏。
4 結語
新型冠狀病毒感染的肺炎傳染病醫院的生物安全至關重要,既要防止病毒在醫療設施內感染醫護人員,同時也要防止醫療設施對周邊地區環境及人員的感染?;鹕裆结t院的排水系統包括收集、輸送、處理等工程及設施,排水管道連通了各個醫療護理單元,醫技及醫護辦公等各個醫療功能區,期中任何一個環節,都需要保證迅速暢通地將污廢水排到室外,又能保持排水管道系統內的氣壓穩定,阻止有毒有害氣體進人室內,保持室內良好的環境衛生。因此新型冠狀病毒感染的肺炎傳染病醫院排水系統的器具選擇、管道分區敷設、排水通氣管道的分區設置及污水的無害化處理將至關重要,排水系統的安全設計是阻止新型冠狀病毒在院區蔓延的重要保證。







